ТС-160/10

Описание

Трансформатор сухой силовой распределительный 3-х фазный с естественным воздушным охлаждением открытого исполнения ТС-160 номинальной мощностью 160 кВА, предназначен для преобразования напряжения среднего класса 10 кВ в напряжение низкого класса 0,4 кВ промышленной частоты 50 (60) Гц (либо изготовим на любые другие напряжения). Данный сухой трансформатор не поддерживает процесс горения, не выделяет в окружающую среду опасных частиц и подходит для использования в том числе на общественных объектах.

  • Потери ХХ, Вт: 820
  • Ток ХХ, %: 2.5
  • Потери КЗ (при 115°С), Вт: 2300
Полные характеристики
Опросный лист online
Опросный лист
Базовые параметры трансформатора
Номинальная мощность, кВа можно выбрать несколько мощностей
Количество сколько нужно трансформаторов
Напряжение ВН
Материал обмотки ВН
Напряжение НН
Материал обмотки НН
Дополнительные сведения
Схема и группа соединений
Напряжение КЗ, %
Потери КЗ, %
Климатическое исполнение
Потери ХХ, %
Ток ХХ, %
Степень защиты (IP)
Переключение (ПБВ), %
Исполнение выводов
Личные данные
Вы можете заполнить форму и заказать трансформатор под Ваши нужды!
Заявка отправлена
Ваше сообщение успешно отправлено. В ближайшее время с Вами свяжется наш менеджер
Конструктив
Общие характеристики
Номинальные параметры
Конструктив
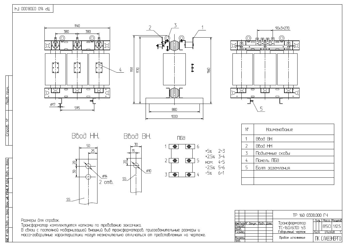
  • Длина, мм1480
  • Ширина, мм1000
  • Высота, мм1520
  • Масса, кг1250
**ВАЖНО! Если Вы не нашли нужной позиции, свяжитесь с нами любым удобным способом.
Габаритный чертеж
Общие характеристики
  • Количество фаз: 3
  • Тип: открытый, без кожуха
  • Материал обмоток: Алюминий (медь - по запросу)
  • Класс нагревостойкости: Н
  • Класс пожаробезопасности: F1
  • Экологический класс: Е2
  • Класс воздействия факторов окружающей среды: С2
  • Климатическое исполнение: «У(ХЛ)»
  • Категория размещения: «3» или «4.2» по ГОСТ 15150
  • Схемы соединения: Д/Ун, У/Ун-0, У/Д, Д/Д, Д/УнД и др.
  • Окружающая температура: -25 °С … +40 °С
Номинальные параметры
  • Напряжение ВН, кВ10
  • Мощность, кВА160
  • Потери ХХ, Вт820
  • Ток ХХ, %2.5
  • Потери КЗ (при 115°С), Вт2300
  • Напряжение КЗ, %4.0

Предварительный расчет доставки

Доставка грузов массой до 500 кг до терминала транспортной компании в Ярославле может быть произведена бесплатно (по согласованию).

Выберите ближайший город
Выберите товар
Вес: кг
Расчет доставки
0 руб.
Заявка на расчет доставки
Заявка на расчет доставки
Предварительный расчет доставки
Ваш город
*
Ваше оборудование
*
Вес: кг / Объем м³
*
Расчет доставки
Вы можете отправить вложение файл не выбран
Заявка отправлена
Ваше сообщение успешно отправлено. В ближайшее время с Вами свяжется наш менеджер

Другие "Трансформаторы сухие без кожуха ТС"

ТС-400/6

Потери ХХ, Вт 1600

Ток ХХ, % 1.8

Потери КЗ (при 115°С), Вт 4800

Напряжение КЗ, % 4.5

Подробнее

Оставить заявку
ТС-630/6

Потери ХХ, Вт 1800

Ток ХХ, % 1.2

Потери КЗ (при 115°С), Вт 7300

Напряжение КЗ, % 5.4

Подробнее

Оставить заявку
ТС-630/10

Потери ХХ, Вт 1800

Ток ХХ, % 1.2

Потери КЗ (при 115°С), Вт 7300

Напряжение КЗ, % 5.4

Подробнее

Оставить заявку
ТС-6300/6

Потери ХХ, Вт 10000

Ток ХХ, % 0.5

Потери КЗ (при 115°С), Вт 42000

Напряжение КЗ, % 7

Подробнее

Оставить заявку
ТС-6300/10

Потери ХХ, Вт 10000

Ток ХХ, % 0.5

Потери КЗ (при 115°С), Вт 42000

Напряжение КЗ, % 7

Подробнее

Оставить заявку
ТС-400/10

Потери ХХ, Вт 1600

Ток ХХ, % 1.8

Потери КЗ (при 115°С), Вт 4800

Напряжение КЗ, % 4.5

Подробнее

Оставить заявку
ТС-4000/6

Потери ХХ, Вт 6300

Ток ХХ, % 0.6

Потери КЗ (при 115°С), Вт 33000

Напряжение КЗ, % 7

Подробнее

Оставить заявку
ТС-4000/10

Потери ХХ, Вт 6300

Ток ХХ, % 0.6

Потери КЗ (при 115°С), Вт 33000

Напряжение КЗ, % 7

Подробнее

Оставить заявку
ТС-3200/10

Потери ХХ, Вт 6000

Ток ХХ, % 0.7

Потери КЗ (при 115°С), Вт 27000

Напряжение КЗ, % 6.7

Подробнее

Оставить заявку
ТС-3150/6

Потери ХХ, Вт 6000

Ток ХХ, % 0.7

Потери КЗ (при 115°С), Вт 27000

Напряжение КЗ, % 6.7

Подробнее

Оставить заявку
ТС-3150/10

Потери ХХ, Вт 6000

Ток ХХ, % 0.7

Потери КЗ (при 115°С), Вт 27000

Напряжение КЗ, % 6.7

Подробнее

Оставить заявку
ТС-250/6

Потери ХХ, Вт 1100

Ток ХХ, % 2.5

Потери КЗ (при 115°С), Вт 3300

Напряжение КЗ, % 4.0

Подробнее

Оставить заявку
ТС-250/10

Потери ХХ, Вт 1100

Ток ХХ, % 2.5

Потери КЗ (при 115°С), Вт 3300

Напряжение КЗ, % 4.0

Подробнее

Оставить заявку
ТС-2500/6

Потери ХХ, Вт 5400

Ток ХХ, % 0.8

Потери КЗ (при 115°С), Вт 23000

Напряжение КЗ, % 6.7

Подробнее

Оставить заявку
ТС-2500/10

Потери ХХ, Вт 5400

Ток ХХ, % 0.8

Потери КЗ (при 115°С), Вт 23000

Напряжение КЗ, % 6.7

Подробнее

Оставить заявку
ТС-2000/6

Потери ХХ, Вт 4100

Ток ХХ, % 0.8

Потери КЗ (при 115°С), Вт 21000

Напряжение КЗ, % 6.4

Подробнее

Оставить заявку
ТС-2000/10

Потери ХХ, Вт 4100

Ток ХХ, % 0.8

Потери КЗ (при 115°С), Вт 21000

Напряжение КЗ, % 6.4

Подробнее

Оставить заявку
ТС-1600/6

Потери ХХ, Вт 3300

Ток ХХ, % 0.9

Потери КЗ (при 115°С), Вт 18000

Напряжение КЗ, % 6.3

Подробнее

Оставить заявку
ТС-1600/10

Потери ХХ, Вт 3300

Ток ХХ, % 0.9

Потери КЗ (при 115°С), Вт 18000

Напряжение КЗ, % 6.3

Подробнее

Оставить заявку
ТС-1250/6

Потери ХХ, Вт 2800

Ток ХХ, % 0.9

Потери КЗ (при 115°С), Вт 13000

Напряжение КЗ, % 6.2

Подробнее

Оставить заявку
ТС-1250/10

Потери ХХ, Вт 2800

Ток ХХ, % 0.9

Потери КЗ (при 115°С), Вт 13000

Напряжение КЗ, % 6.2

Подробнее

Оставить заявку
ТС-1000/6

Потери ХХ, Вт 2400

Ток ХХ, % 1

Потери КЗ (при 115°С), Вт 12000

Напряжение КЗ, % 6

Подробнее

Оставить заявку
ТС-1000/10

Потери ХХ, Вт 2400

Ток ХХ, % 1

Потери КЗ (при 115°С), Вт 12000

Напряжение КЗ, % 6

Подробнее

Оставить заявку
ТС-6300/6

Потери ХХ, Вт 10000

Ток ХХ, % 0.5

Потери КЗ (при 115°С), Вт 42000

Напряжение КЗ, % 7

Подробнее

Оставить заявку
ТС-3200/6

Потери ХХ, Вт 6000

Ток ХХ, % 0.7

Потери КЗ (при 115°С), Вт 27000

Напряжение КЗ, % 6.7

Подробнее

Оставить заявку
ТС-160/6

Потери ХХ, Вт 820

Ток ХХ, % 2.5

Потери КЗ (при 115°С), Вт 2300

Напряжение КЗ, % 4.0

Подробнее

Оставить заявку
или
Текущий cos(φ)
Тип требующейся установки если известно
Отметьте, если это относится к Вашей сети
Необходимая реактивная мощность, кВАр
0
Отправить заявку На рассчитанный номинал установки
Задайте нам вопрос
Заявка отправлена
Ваше сообщение успешно отправлено. В ближайшее время с Вами свяжется наш менеджер
Оставьте заявку
Оставьте заявку
Вы можете отправить вложение файл не выбран
Заявка отправлена
Ваше сообщение успешно отправлено. В ближайшее время с Вами свяжется наш менеджер
Оправить заявку
Оправить заявку
Вы можете отправить вложение файл не выбран
Заявка отправлена
Ваше сообщение успешно отправлено. В ближайшее время с Вами свяжется наш менеджер
Заказать услугу
Заказать услугу
Вы можете отправить вложение файл не выбран
Заявка отправлена
Ваше сообщение успешно отправлено. В ближайшее время с Вами свяжется наш менеджер
Задать вопрос
Задать вопрос
Вы можете отправить вложение файл не выбран
Заявка отправлена
Ваше сообщение успешно отправлено. В ближайшее время с Вами свяжется наш менеджер
Оставить заявку (КРМ)
Оставить заявку (КРМ)
На рассчитанный номинал установки
Потребляемая активная мощность, кВт
Мощность силового трансформатора, кВт
Текущий cos(φ)
Тип требующейся установки
если известно
Отметьте, если это относится к Вашей сети
Необходимая реактивная мощность, kВАр
*
Вы можете отправить вложение файл не выбран
Заявка отправлена
Ваше сообщение успешно отправлено. В ближайшее время с Вами свяжется наш менеджер